新闻动态

  • 电磁阀常见故障有哪些及维修处理方式知识

    KW50-B系列电磁阀是我们经常用到的工业气动元件,通常作为气缸的气动附件。它能够带动气缸的做往复运动,从而带动机构运动达到我们希望的效果。例如,开到位,关到位,或者在保持位。它的使用频率较多,此元件故障发生频率也比较高。

    2022-05-14 环球体育在线注册,环球体育(中国)阀门

  • 活套扫描仪的常见故障有哪些?

    KWZK-HT系列活套扫描仪的常见故障有哪些?

    2022-05-07 环球体育在线注册,环球体育(中国)自控

  • 活套扫描仪接线方法分享

    活套扫描仪接线方法分享

    2022-05-07 环球体育在线注册,环球体育(中国)自控

  • 矿井提升机控制系统故障处理知识分享

    矿井提升机控制系统故障处理知识分享

    2022-04-28 环球体育在线注册,环球体育(中国)设备

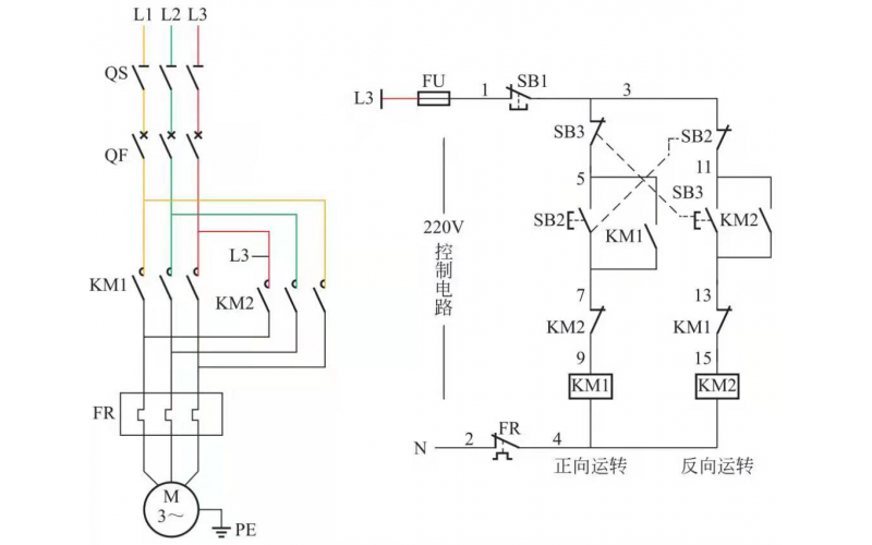
  • 接触器互锁正反转电路知识

    合上控制回路熔断器FU,电路具备启停条件。电动机主回路中增加了过载保护(热继电器FR)。电动机过载时,热继电器FR动作,FR的动断触点断开,接触器KM断电释放,KM的三个主触点同时断开,电动机断电停止运转。

    2022-04-16 kwzk环球体育在线注册,环球体育(中国)自控

  • 电动机及用电设备线路的维护知识

    为保证安全可靠、优质和经济合理的用电,做好用电设备的维护,故障处理及检修是十分重要的。着重介绍电动机和配电线路的检修与维护。

    2022-04-13 环球体育在线注册,环球体育(中国)

  • 井下漏电故障的查询方法知识

    井下漏电故障的查询方法知识

    2022-04-08 环球体育在线注册,环球体育(中国)

  • 矿用电缆用途及分类知识介绍

    矿用电缆用途及分类知识介绍

    2022-04-08 环球体育在线注册,环球体育(中国)

首页
产品
新闻
联系